第6章原子发射光谱法
(Atomic Emission
Spectrometry,AES)
6.1 概述
原子发射光谱法是依据各种化学元素的原子或离子在热激发或电激发下,发射的特征电磁辐射而进行元素定性与定量分析的方法。
原子发射光谱法是光谱分析法中产生与发展最早的一种。早在1859年德国学者基尔霍夫(Kirchhoff G R)和本生(Bunsen R W)合作,制造了第一台用于光谱分析的分光镜,从而使光谱检测法得以实现。以后的30年中,逐渐确立了光谱定性分析方法。到1930年以后,建立了光谱定量分析法。
原子发射光谱法对科学的发展起着重要的作用,在建立原子结构理论的过程中,提供了大量的、最直接的实验数据。科学家们通过观察和分析物质的发射光谱,逐渐认识了组成物质的原子结构。在元素周期表中,有不少元素是利用原子发射光谱发现或通过光谱法鉴定而被确认的。例如:金属元素铷、铯、镓、铟、铊;惰性气体氦、氖、氩、氪、氙及一部分稀土元素等。
在近代各种材料的定性、定量分析中,原子发射光谱法发挥了重要作用。特别是新型光源的出现与电子技术的不断更新和应用,使原子发射光谱分析获得了新的发展,成为仪器分析中最重要的方法之一。
原子发射光谱分析的优点为:
(1)多元素同时检测的能力。可同时测定一个样品中的多种元素。每一个样品一经激发后,不同元素都发射特征光谱,这样就可同时测定多种元素。
(2)分析速度快。可在几分钟内同时对几十种元素进行定量分析。
(3)选择性好。每种元素因其原子结构不同,发射各自不同的特征光谱。这种谱线的差异,对于分析一些化学性质极为相似的元素具有特别重要的意义。例如,铌和钽、锆和铪、十几个稀土元素用其他方法分析都很困难,而原子发射光谱分析可以毫无困难地将它们区分开来,并分别加以测定。
(4)检出限低。一般光源可达0.1~10μg·g-1(或μg·mL-1)。电感耦合等离子体(ICP)光源可达ng·mL-1级。
(5)准确度较高。一般光源相对误差约为5%~10%,ICP相对误差可达1%以下。
(6)应用广。不论气体、固体和液体样品,都可以直接激发。试样消耗少。
(7)校准曲线线性范围宽。一般光源只有1~2个数量级,ICP光源可达4~6个数量级。
原子发射光谱分析的缺点是:常见的非金属元素(如氧、硫、氮、卤素等)谱线在远紫外区,目前一般的光谱仪尚无法检测;还有一些非金属元素(如P, Se, Te等),由于其激发能高,灵敏度较低。
6.2基本原理
原子的外层电子由高能级向低能级跃迁,多余能量以电磁辐射的形式发射出去,这样就得到了发射光谱。原子发射光谱是线状光谱。
通常情况下,原子处于基态,在激发光源作用下,原子获得足够的能量,外层电子由基态跃迁到较高的能量状态即激发态。处于激发态的原子是不稳定的,其寿命小于10-8s,外层电子就从高能级向较低能级或基态跃迁。多余能量的发射出来,就得到了一条光谱线。谱线波长与能量的关系为
(6.1)
式中:E2、E1分别为高能级与低能级的能量,λ为波长,h为普朗克(Plank)常数,c为光速。
原子中某一外层电子由基态激发到高能级所需要的能量称为激发能,以eV(电子伏)表示。原子光谱中每一条谱线的产生各有其相应的激发能,这些激发能在元素谱线表中可以查到。由第一激发态向基态跃迁所发射的谱线称为第一共振线。第一共振线具有能量小的激发能,因此最容易被激发,也是该元素最强的谱线。如图6.1中的钠线Na I 589.59 nm与Na I 588.
99 nm 是两条共振线。
在激发光源作用下,原子获得足够的能量就发生电离,电离所必须的能量称为电离能。原子失去一个电子称为一次电离,一次电离的原子再失去一个电子称为二次电离,依此类推。
离子也可能被激发,其外层电子跃迁也发射光谱,由于离子和原子具有不同的能量,所以离子发射的光谱与原子发射的光谱是不一样的。每一条离子线也都有其激发能,这些离子线激发能的大小与电离能高低无关。
在原子谱线表中,用罗马字I表示中性原子发射的谱线,II表示一次电离离子发射的谱线,III表示二次电离离子发射的谱线,依此类推。例如,Mg I 285.21 nm为原子线,Mg II 280.27nm为一次电离离子线。
原子光谱是由于原子的外层电子(或称价电子)在两个能级之间跃迁而产生的。原子的能级通常用光谱项符号n2S+1LJ来表示。其中,n为主量子数,L为总角量子数,S为总自旋量子数,J为内量子数。
核外电子在原子中存在的运动状态,可以由4 个量子数n、l、m、ms来描述:主量子数n决定电子的能量和电子离核的远近;角量子数l决定电子角动量的大小及电子轨道的形状,在多电子原子中它也影响电子的能量;磁量子数m,决定磁场中电子轨道在空间伸展的方向不同时,电子运动角动量分量的大小;自旋量子数ms决定电子自旋的方向。
根据泡利(Pauling)不相容原理、能量最低原理和洪特(Hund)规则,可进行核外电子排布。如钠原子:
|
核外电子构型 |
价电子构型 |
价电子运动状态的量子数表示 |
|
(1s)2(2s)2(2p)6(3s)1 |
(3s)1 |
n = 3 |
|
l = 1 |
||
|
m = 0 |
||
|
ms = |
有多个价电子的原子,它的每一个价电子都可能跃迁而产生光谱。同时,各个价电子间还存在着相互作用,光谱项就用n,L,S,J四个量子数来描述。
(1)n为主量子数。
(2)L为总角量子数,其数值为外层价电子角量子数l的矢量和,其值可取L = 0,1,2,3,…,相应的光谱符号为S,P,D,F,…。
(3)S为总自旋量子数,自旋与自旋之间的作用也是较强的,多个价电子总自旋量子数是单个价电子自旋量子数ms的矢量和。其值可取S = 0,
,
,
,
,…。
(4)J为内量子数,是由于轨道运动与自旋运动的相互作用即轨道磁矩与自旋磁矩的相互影响而得出的,它是原子中各个价电子组合得到的总角量子数L与总自旋量子数S的矢量和。即J = L +
S
光谱项符号左上角的(2S+ 1)称为光谱项的多重性,它表示原子的一个能级能分裂成多个能量差别很小的能级。从这些能级跃迁到其他能级上的诸光谱线。例如,Zn由激发态43D向43P2跃迁时要发射光谱,43D又有43D3、43D2、43D1这三个光谱项,由于它们的能量差别极小,因而由它们所产生的诸光谱线波长极相近,分别为334.50 nm,334.56
nm和334.59 nm三重线。
把原子中所有可能存在状态的光谱项—能级及能级跃迁用图解的形式表示出来,称为能级图。通常用纵坐标表示能量E,基态原子的能量E = 0,以横坐标表示实际存在的光谱项。理论上,对于每个原子能级的数目应该是无限多的,但实际上产生的谱线是有限的。发射的谱线为斜线相连。
图6.1为钠原子的能级图。钠原子基态的光谱项为
.第一激发态的光谱项为
和,
因此钠原子最强的第一共振线(图中D1、D2)为双重线,用光谱项表示为:
Na 588. 996nm
D2线
Na 589. 593nm
D1线
一般将低能级光谱项符号写在前,高能级在后。这两条谱线为共振线。
必须指出,不是在任何两个能级之间都能产生跃迁,跃迁是遵循一定的选择规则的。只有符合下列规则,才能跃迁。
(1)Δn = 0或任意正整数。
(2)ΔL = ±1,跃迁只允许在S项与P项、P项与S项或D项之间、D项与P项或F项之间,等等。
(3)ΔS = 0,即单重项只能跃迁到单重项,三重项只能跃迁到三重项,等等。
(4)ΔJ = 0,±1。但当J= 0时,ΔJ
= 0的跃迁是禁戒的。
也有个别例外的情况,这种不符合光谱选律的谱线称为禁戒跃迁线。例如,Zn 307.59 nm,是由光谱项43P1向41S0跃迁的谱线,因为ΔS ≠ 0,所以是禁戒跃迁线。这种谱线一般产生的机会很少,谱线的强度也很弱。

图6.1 钠原子的能级图
原子由某一激发态i向基态或较低能级跃迁发射谱线的强度,与激发态原子数呈正比。在激发光源高温条件下,温度一定,处于热力学平衡状态时,单位体积基态原子数N0与激发态原子数Ni之间遵守玻耳兹曼(Boltzmann)分布定律。
(6.2)
式中:gi、g0为激发态与基态的统计权重,Ei为激发能,k为Boltzmann常数,T为激发温度。
原子的外层电子在I,j两个能极之间跃迁,其发射谱线强度Iij为
(6.3)
式中:Aij为两个能级间的跃迁概率,h为Planck常数,vij为发射谱线的频率。将式(6.2)代人式(6.3),得
(6.4)
由式(6.4)可见,影响谱线强度的因素为:
(1)
统计权重 谱线强度与激发态和基态的统计权重之比gi/ g0呈正比。
(2)
跃迁概率 谱线强度与跃迁概率呈正比,跃迁概率是一个原子于单位时间内在两个能级间跃迁的概率、可通过实验数据计算出。
(3)
激发能 谱线强度与激发能呈负指数关系。在温度一定时,激发能愈高,处于激发状态的原子数愈少,谱线强度就愈小。激发能最低的共振线通常是强度最大的谱线。
(4)
激发温度 从式(6.4)可看出,温度升高,谱线强度增大。但温度过高,电离的原子数目也会增多,而相应的原子数会减少,致使原子谱线强度减弱,离子的谱线强度增大。图6.2为一些谱线强度与温度的关系图。由图可见,不同谱线各有其最合适的激发温度,在最佳温度时,谱线强度最大。
(5)
基态原子数 谱线强度与基态原子数呈正比。在一定条件下,基态原子数与试样中该元素浓度呈正比。因此,在一定的实验条件下,谱线强度与被测元素浓度呈正比,这是光谱定量分析的依据。

图6.2原子、离子谱线强度与激发温度的关系
对某一谱线来说,gi/g0、跃迁概率、激发能是恒定值。因此,当温度一定时,该谱线强度I与被测元素浓度c呈正比,即
I=ac
(6.5)
式中:a为比例常数。当考虑到谱线自吸时,上式可表达为
I=acb
(6.6)
式中:b为自吸系数。b值随被测元素浓度增加而减小,当元素浓度很小时无自吸,则b=1。
式(6.6)是AES定量分析的基本关系式,由赛伯(Schiebe
G)和Lomakin
B A(罗马金)提出,称为Schiebe-Lomakin公式。
在激发光源高温条件下,以气体存在的物质为等离子体(plasma)。在物理学中,等离子体是气体处在高度电离状态,其所形成的空间电荷密度大体相等,使得整个气体呈电中性。在光谱学中,等离子体是指包含有分子、原子、离子、电子等各种粒子电中性的集合体。
等离子体有一定的体积,温度与原子浓度在其各部位分布不均匀,中间部位温度高,边缘低。其中心区域激发态原子多,边缘处基态与较低能级的原子较多。激发原子从中心发射某一波长的电磁辐射,必然要通过边缘到达检测器,这样所发射的电磁辐射就可能被处在边缘的同一元素基态或较低能级的原子吸收,接收到的谱线强度就减弱了。这种原子在高温发射某一波长的辐射,被处在边缘低温状态的同种原子所吸收的现象称为自吸(self-absorption)。

图6.3谱线轮廓
1.无自吸 2.有自吸 3.自蚀 4.严重自蚀
自吸对谱线中心处强度影响大。当元素的含量很小时,不表现自吸;当含量增大时,自吸现象增加,当达到一定含量时,由于自吸严重,谱线中心强度都被吸收了,完全消失,好像两条谱线,这种现象称为自蚀(self-reversal),见图6.3。基态原子对共振线的自吸最为严重,并常产生自蚀。不同光源类型,自吸情况不同。由于自吸现象影响谱线强度,在光谱分析中是一个必须注意的问题。
6.3仪器
原子发射光谱法仪器分为两部分:光源与光谱仪。
光源的作用是提供足够的能量使试样蒸发、原子化、激发,产生光谱。光源的特性在很大程度上影响着光谱分析的精密度、准确度和检出限。原子发射光谱分析光源种类很多,主要有直流电弧、交流电弧、电火花及电感耦合等离子体等,其中电感耦合等离子体最为常用。
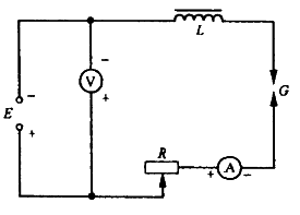
1. 直流电弧
直流电弧的基本电路见图6. 4。E为直流电源,供电电压220~380 V,电流为5~

图6.4直流电弧发生器线路原理图
E.直流电源 V.直流电压表 L.电感
R.镇流电阻 A.直流电流表 G.分析间隙
直流电弧引燃可用两种方法:一种是接通电源后,使上下电极接触短路引燃;另一种是高频引燃。引燃后阴极产生热电子发射,在电场作用下电子高速通过分析间隙射向阳极。在分析间隙里,电子又会和分子、原子、离子等碰撞,使气体电离。电离产生的阳离子高速射向阴极,又会引起阴极二次电子发射,同时也可使气体电离。这样反复进行,电流持续,电弧不灭。
由于电子轰击,阳极表面炙热,产生亮点形成“阳极斑点”,阳极斑点温度高,可达4000K (石墨电极),因此通常将试样置于阳极,在此高温下使试样蒸发、原子化。在弧内,原子与分子、原子、离子、电子等碰撞,被激发而发射光谱。阴极温度在3000K以下,也形成“阴极斑点”。
直流电弧由弧柱、弧焰、阳极点、阴极点组成。电弧温度约为4000~7000K,电弧温度取决于电弧柱中元素的电离能和浓度。
直流电弧的优点是设备简单。由于持续放电,电极头温度高,蒸发能力强,试样进入放电间隙的量多,绝对灵敏度高,适用于定性、半定量分析;同时适用于矿石、矿物等难熔样品及稀土、铌、钽、锆、铪等难熔元素的定量分析。缺点是电弧不稳定、易漂移、重现性差、弧层较厚自吸现象较严重。
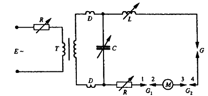
2.交流电弧
交流电弧发生器的线路图见图6.5,它由低压电弧电路和高频引燃电路两部分组成。低压电弧电路由交流电源(220 V)、可变电阻R2、电感线圈L2、放电间隙G2与旁路电容C2组成,与直流电弧电路基本上相同。高频引燃电路由电阻R1、变压器T1、放电盘G1,高压振荡电容C1及电感L1组成。两个电路借助于Ll、L2(变压器T2)耦合起来。
低压交流电弧,不能像直流电弧那样,一经点燃即可持续放电。电极间隙需要周期性地点燃,因此必须用一个引燃装置。高频引燃电路接通以后,变压器T1在次级线圈上可得到约3000V的高电压,并向电容器C1充电,放电盘G1与C1并联,C1电压增高,G1电压也增高,当G1电压高至引起火花击穿时,G1、C1、Ll构成一个振荡回路,产生高频振荡,得到高频电流。这时在变压器T2的次级线圈L2上产生了高频电压可达10 kV,旁路电容C2对高频电流的阻抗很小,L2的高电压将G2放电间隙击穿,引燃电弧。引燃后,低压电路便沿着导电的气体通道产生电弧放电。放电很短的瞬间,电压降低直至电弧熄灭。在下一次高频引燃作用下,电弧重新被点燃,如此反复进行,交流电弧维持不熄。
交流电弧除具有电弧放电的一般特性外,还有其自身的特点:①交流电弧电流具有脉冲性,电流比直流电弧大,因此电弧温度高,激发能力强。②电弧稳定性好,分析的重现性与精密度比较好,适于定量分析。③它的电极温度较低,这是由于交流电弧放电有间隙性,蒸发能力略低。

图6.5 交流电弧发生器原理图
3.高压火花
火花放电即指:在通常气压下,两电极间加上高电压,达到击穿电压时,在两极间尖端迅速放电,产生电火花。放电沿着狭窄的发光通道进行,并伴随着有爆裂声。日常生活中,雷电即是大规模的火花放电
火花发生器线路见图6.6:220
V交流电压经变压器T升压至8000~12000 V高压,通过扼流线圈D向电容器C充电。当电容器C两端的充电电压达到分析间隙的击穿电压时,通过电感L向分析间隙G放电,G被击穿产生火花放电。同时电容器C又重新充电、放电。这一过程重复不断,维持火花放电而不熄灭。获得火花放电稳定性好的方法,是在放电电路中串联一个由同步电机带动的断续器M,同步电机以50转/秒的速度旋转,每旋转半周,放电电路接通放电一次。从而保证了高压火花的持续与稳定性

图6.6高压火花发生器线路原理图
E.电源 R.可变电阻 T.升压变压器 D.扼流线圈 C.可变电容
L.可变电感 G.分析间隙 G1、G2.断续控制间隙 M.同步电机带动的断续器
火花光源的特点是:由于在放电一瞬间释放出很大的能量,放电间隙电流密度很高,因此温度很高(可达10 000 K以上),具有很强的激发能力,一些难激发的元素可被激发,而且大多为离子线。放电稳定性好,因此重现性好,可做定量分析。电极温度较低,由于放电时间歇时间略长,放电通道窄小之故,易于做熔点较低的金属与合金分析,而且可将被测物自身可做电极进行分析,如炼钢厂的钢铁分析。火花光源灵敏度较差,但可做较高含量的分析;噪声较大;做定量分析时,需要有预燃时间。
直流电弧、交流电弧与高压火花光源的使用已有几十年的历史,称为经典光源。在经典光源中,还有火焰在过去也起过重要作用,但由于新光源的广泛应用,现在已很少使用。
4.电感耦合等离子体
电感耦合等离子体(inductively coupled plasma,ICP)光源是20世纪60年代研制的新型光源,由于它的性能优异,70年代迅速发展并获得广泛的应用。
ICP光源是高频感应电流产生的类似火焰的激发光源。仪器主要由高频发生器、等离子炬管、雾化器等三部分组成,见图6.7。高频发生器的作用是产生高频磁场供给等离子体能量。频率多为27~50 MHz最大输出功率通常是2~4 kW。
ICP的主体部分是放在高频线圈内的等离子炬管,见图6.7。在此剖面图中,等离子炬管(图中G)是一个三层同心的石英管,感应线圈S为2~5匝空心铜管。
等离子炬管分为三层:最外层通Ar气作为冷却气,沿切线方向引人,可保护石英管不被烧毁;中层管通人辅助气体 Ar气,用以点燃等离子体;中心层以Ar为载气,把经过雾化器的试样溶液以气溶胶形式引入等离子体中。
当高频发生器接通电源后,高频电流I通过线圈,即在炬管内产生交变磁场B。炬管内若是导体就产生感应电流。这种电流呈闭合的涡旋状即涡电流,如图中虚线P。它的电阻很小,电流很大(可达几百安培),释放出大量的热能(达10 000 K)。电源接通时,石英炬管内为Ar气,它不导电,可用高压火花点燃使炬管内气体电离。由于电磁感应和高频磁场B,电场在石英管中随之产生。电子和离子被电场加速,同时和气体分子、原子等碰撞,使更多的气体电离,电子和离子各在炬管内沿闭合回路流动,形成涡流,在管口形成火炬状的稳定的等离子焰炬。
等离子焰炬外观像火焰,但它不是化学燃烧火焰而是气体放电。它分为三个区城(见图6.7和6.8)。

图6.7 电感耦合等离子体ICP光源
B.交变磁场 I.高频电流 P.涡电流
S.高频感应线圈 G.等离子炬管

图6.8 ICP的温度分布
(1)焰心区 感应线圈区域内,白色不透明的焰心,高频电流形成的涡流区,温度最高达10 000 K,电子密度也很高。它发射很强的连续光谱,光谱分析应避开这个区域。试样气溶胶在此区城被预热、蒸发,又称预热区。
(2)内焰区 在感应圈上10~
(3)尾焰区 在内焰区上方,无色透明,温度低于6000 K,只能发射激发能较低的谱线。
高频电流具有“趋肤效应",ICP中高频感应电流绝大部分流经导体外围,越接近导体表面,电流密度越大。涡流主要集中在等离子体的表面层内,形成环状结构,造成一个环形加热区。环形的中心是一个进样的中心通道,气溶胶能顺利地进入到等离子体内,使得等离子体焰炬有很高的稳定性。试样气溶胶可在高温焰心区经历较长时间加热,在测光区平均停留时间可达2~8ms,比经典光源停留时间(约10-3~10-2ms)长得多。高温与长的平均停留时间使样品充分原子化,并有效地消除了化学干扰。周围是加热区,用热传导与辐射方式间接加热,使组分的改变对ICP影响较小,加之溶液进样量又少,因此基体效应小,试样不会扩散到ICP焰炬周围而形成自吸的冷蒸气层。环状结构是ICP其有优良性能的根本原因。
综上所述,ICP光源具有以下特点:
(1)检出限低。气体温度高,可达7000~8000K,加上样品气溶胶在等离子体中心通道停留时间长,因此各种元素的检出限一般在10-1~10-5μg·rnL-1范围。可测70多种元素。
(2)基体效应小。
(3)ICP稳定性好,精密度高。在分析浓度范围内,相对标准偏差约为1%。
(4)准确度高,相对误差约为1%,干扰少。
(5)选择合适的观测高度,光谱背景小。
(6)自吸效应小。分析校准曲线动态范围宽,可达4~6个数量级,这样也可对高含量元素进行分析。由于发射光谱有对一个试样可同时做多元素分析的优点,ICP采用光电测定在几分钟内就可测出一个样品从高含量到痕量各种组成元素的含量,快速而又准确,因此,它是一个很有竞争力的分析方法。
ICP的局限性是:对非金属测定灵敏度低,仪器价格较贵,维持费用也较高。
5.微波诱导等离子体
微波是频率约在100 MHz~100 GHz,即波长从
MIP的激发能力高,可激发绝大多数元素,特别是非金属元素,其检出限比其他光源都要低。它的载气流量小,系统比较简单,是一种性能很好的光源。但是这一光源的缺点是气体温度较低(约2000~3000 K),被测组分难以充分原子化。MIP的等离子炬很小,微波发生器功率小(50~500 W),进样量过多,也造成基体的影响。
6.辉光放电光源
前面所述的光源都是常压下的辐射光源,而辉光放电光源是一种低气压光源。它有多种类型,仅以Grimm放电管为例,见图6.9

图6.9
Grimm辉光放电管结构示意图
1.试样
2.密封圈 3.阴极体
4.绝缘片 5.阳极区抽气口 6.阳极体
7.载气入口 8.石英窗
9.阴极区抽气口 10.石英窗压固圈 11.负辉区
阴、阳两个电极封入玻璃管内,管内抽真空并充人惰性气体称为载气,压力为几百帕。样品制成很容易插入光源的平面阴极。两极间施加几百伏电压,便产生放电。在放电过程中,载气原子被电离,产生的正离子被电场大大加速,获得足够的能量,轰击阴极表面时就可将被测元素原子轰击出来,形成原子蒸气云。这种被正离子从阴极表面轰击出原子的现象称为“阴极溅射”。溅射出的原子与高速运动的离子、原子、电子碰撞成为激发态原子,然后,发射出原子光谱。辉光放电在阴极附近的负辉区,此处辐射强度最大。因此,阴极与阳极的位置相距很近。
Grimm辉光放电光源的主要特点是,发光稳定度高因而分析精密度好;能分层均匀溅射取样,可做表层、逐层分析。缺点是对样品的制备要求较高。
7.试样引入激发光源的方法
试样引入激发光源的方法,依试样的性质与光源的种类而定。
(1)固体试样 多用于经典光源与辉光放电,一般多采用电极法。
金属与合金本身能导电,可直接做成电极,称为自电极。若金属箔、丝,可将其置于石墨或碳电极中。
粉末试样,通常放入制成各种形状的小孔或杯形电极中,作为下电极。
电弧或火花光源常用溶液干渣法进样。将试液滴在平头或凹月面电极上,烘干后激发。为了防止溶液渗入电极,预先滴聚苯乙烯苯溶液,在电极表面形成一层有机物薄膜。试液也可以用石墨粉吸收,烘干后装人电极孔内。
常用的电极材料为石墨,常常将其加工成各种形状。石墨具有导电性能好、沸点高(可达4000 K )、有利于试样蒸发、谱线简单、容易制纯及易于加工成型等优点(见图6.10)。
辉光放电的平面阴极制作比较复杂,在此不作介绍。

图6.10 直流电弧的石墨电极形状
(2)溶液试样 ICP与MIP光源,直接用雾化器将试样溶液引入等离子体内,见图6.11

图6.11 ICP光源的雾化器及流体进样系统
(3)激光烧蚀法 ICP光源一般适用于溶液试样。对于固体进样人们进行了很多研究,现介绍激光烧蚀法。激光具有高能量,聚焦入射到样品上,使样品微区迅速熔化及蒸发,蒸发出的气体被惰性气体导入等离子体炬管中。激光烧蚀法的最大优点是可用于导体或非导体。同时,由于激光束聚焦的特性,可在小范围内取样,因此可进行局部(微区)分析。其精密度与雾化法相比要差一些,检出限也稍差于雾化法。
8.试样的蒸发与光谱的激发
试样在激发光源的作用下,蒸发进入等离子区内,随着试样蒸发的进行,各元素的蒸发速度不断地变化。各种元素的谱线强度对蒸发时间作图,称为蒸发曲线,见图6.12。由图可看出,各种元素的蒸发行为很不一样:易挥发的物质先蒸发出来,难挥发的物质后蒸发出来。试样中不同组分的蒸发有先后次序的现象称为分馏。在进行光谱分析时,应选择合适的曝光时间。

图 6.12电弧光源蒸发曲线
物质蒸发到等离子区内,进行原子化的同时还可能电离。气态原子或离子在等离子体内与高速运动的粒子碰撞而被激发,发射特征的电磁辐射。与高速热运动的粒子碰撞而引起的激发为热激发。与电子的碰撞引起的激发为电激发。现在所使用的光源,主要是热激发,也交杂有电激发。
9.光谱添加剂
(1)
光谱载体 在试样中加入一些有利于分析的物质叫载体。载体的作用是将试样蒸发载入光源中,但它们起的作用绝不止是促进蒸发的作用。它有时还可以增加谱线强度,提高分析灵敏度、准确度和消除干扰。它们多是一些化合物、盐类、碳粉,当然不能含有待测元素。载体的加入量也是比较多的。
载体能控制试样中元素的蒸发行为,通过化学反应,使被分析元素从难挥发性化合物(主要是氧化物)转变为沸点低易挥发的化合物。如卤化物,可使沸点很高的ZrO2 , TiO2、稀土氧化物转化为易挥发的卤化物。
载体量大可控制电极温度,从而控制试样中元素的蒸发行为并可改变基体效应。例如:在测定U3O8中的杂质元素时加入Ga2O3作载体,后者是中等沸点的物质,不影响试样中杂质元素B、Cd、Fe、Mn等的挥发,但大大抑制了沸点颇高的氧化铀的蒸发,因此铀的谱线变得很弱而且相当少,很大程度上避免了铀的干扰。
载体可以稳定与控制电弧温度。电弧温度由电弧中电离能低的元素控制,可选择适当的载体,以稳定与控制电弧温度,从而得到对被测元素有利的激发条件。并使电弧稳定,减少漂移。
电弧等离子区中有大量载体原子蒸气的存在,阻碍了被测元素在等离子区中自由运动范围,增加它们在电弧中的停留时间,从而提高了谱线强度。
(2) 光谱缓冲剂 试样中加入一种或几种辅助物质,用来减小试样组成的影响,这种物质称为光谱缓冲剂。要使试样与标样组成完全一致往往是难以办到的,因此加入较大量的缓冲剂以稀释试样,减小试样组成的影响。以加入碳粉最为普遍,其他化合物用得也相当多。当然,它们也能起到控制电极温度与电弧温度的种种作用。因此,载体与缓冲剂很难截然分开,此两名称也因而常常被混用。
光谱仪的作用是将光源发射的电磁辐射经色散后,得到按波长顺序排列的光谱,并对不同波长的辐射进行检测与记录。
光谱仪的种类很多,其基本结构有三部分,即照明系统、色散系统与记录测量系统。按照使用色散元件的不同,分为棱镜光谱仪与光栅光谱仪。按照光谱记录与测量方法的不同,又可分为照相式摄谱仪、光电直读光谱仪和全谱直读光谱仪。
1.摄谱仪
可分为棱镜摄谱仪与光栅摄谱仪。
(1)棱镜摄谱仪 目前主要为石英棱镜摄谱仪。石英对紫外光区有较好的折射率,而常见元素的谱线又多在近紫外区,故应用广泛。这种仪器在20世纪40~50年代生产较多。现在由于光栅的出现,已无厂家再生产了。但已有的石英棱镜摄谱仪仍在使用。
图6.13为Q-24中型石英棱镜摄谱仪光路示意图,光源Q发出的光经三透镜L1、L2、L3照明系统聚焦在入射狭缝S上。S、L4、P为色散系统。L4为准直镜,将入射光变为平行光束,再投射到棱镜P上进行色散。波长短的折射率大,波长长的折射率小,色散后按波长顺序被分开排列成光谱。再由照相物镜L5将它们分别聚焦在感光板
上,便得到按波长顺序展开的光谱。每一条谱线都是狭缝的像。

图6.13 Q-24中型石英棱镜摄谱仪光路示意图
① 照明系统 三透镜照明系统,其作用是使光源发出的光均匀地照明狭缝的全部面积。即狭缝全部面积上的各点照度一致。
②色散系统 光谱仪的好坏主要取决于它的色散装置。光谱仪光学性能的主要指标有色散率、分辨率与集光本领,因为发射光谱是靠每条谱线进行定性、定量分析的,因此,这三个指标至关重要。
③记录测量系统 摄谱仪的记录方法为照相法,需用感光板来接收与记录光源发出的光。感光板由感光层与支持体(玻璃板)组成。感光层由乳剂均匀地涂布在玻璃板上面而成,它起感光作用。乳剂为卤化银的微小晶体均匀地分散在精制的明胶中,其中AgBr使用较广。溴化银乳剂受到光的照射后分解成溴原子与银原子,当银的质点达到一定程度时就形成潜影中心。在以还原剂为主要组分的显影液中,具有潜影中心的AgBr晶粒很快地被还原成金属银,显示出黑色的影像来。在某一波长处,受到大曝光量作用的乳剂生成的潜影中心多,还原速率快,显现出较黑的影像。曝光量小的乳剂,则潜影中心少,还原速率慢,所显现出的影像为较浅的黑色。没有曝光的乳剂,则无潜影中心,还原速率极慢,只产生雾翳分布在整个相板上。定影液主要是银离子的配合剂溶液,显影后整个相板乳剂中未受到光作用的AgBr都要经定影除去。感光板置于摄谱仪焦面上,经光源作用而曝光,再经显影、定影后在谱片上留下银原子形成的黑色的光谱线的影像。谱线的黑度就反映了光的强度。
④乳剂特性曲线
a.曝光量H。一般情况下是感光板接受的照度E与曝光时间t的乘积,即
H = Et
(6.7)
一定强度的光照射感光板一定时间,就相应有一个曝光量,在感光板上则相应形成一定黑度。黑度与光的强度成正比,因此,曝光量与光的强度成正比。
b.黑度S。是感光板上谱线变黑的程度,用谱线处透过率的倒数的对数值来表示(图6.14)。

图6.14黑度的示意图
(6.8)
式中I0为未曝光处透过光的强度;I为已曝光处透过光的强度;二者比值T为透过率。黑度的测量在测微光度计上进行。
c.乳剂特性曲线。它是一种表示曝光量H的对数与黑度S之间关系的曲线。由感光板所得到的谱线,不能直接得到元素的发光强度。黑度S与曝光量H之间的关系很复杂,目前尚未找到简单的数学表达式,通常采用图解法。做出的曲线称为乳剂特性曲线,即曝光量的对数值lgH为横坐标,黑度S为纵坐标的曲线,如图6.15。曲线可分为三部分:BC直线部分为正常曝光部分,AB为曝光不足部分,CD为曝光过度部分。在此曲线上可由测出的黑度S值,找到相应的lgH,进一步得到lgI。
在定量分析中,常常利用曲线的正常曝光部分BC线段,它是直线,斜率是不变的,黑度S与曝光量的对数值lgH可用简单数学公式表示
(6.9)
式中
为乳剂特性曲线直线部分的斜率,称为反衬度;lgHi为直线BC延长至横坐标上的截距,
用i表示;Hi是感光板乳剂的惰延量,乳剂特性曲线下部分与纵坐标交点处的黑度S0称为雾翳黑度。BC线段在横坐标上的投影bc称为感光板乳剂的展度。

图6.15乳剂特性曲线
反衬度
表示曝光量改变时,黑度变化的快慢。感光板的灵敏度取决于惰延量Hi 的大小,Hi的倒数表示感光板乳剂的灵敏度,Hi愈大,愈不灵敏。作为展度,bc线段在一定程度上决定了用这种感光板做定量分析时,所能分析的含量范围大小。
照相法、摄谱仪总的来说从仪器到测试价格比较便宜;感光板所记录的光谱可长期保存,尤其是光谱定性分析,大多采用之。目前摄借仪应用仍相当广泛。
(2)光栅摄谱仪 图6.16为国产WSP —1型平面光栅摄谱仪光路图。由光源B发射的光经三透镜照明系统L后到狭缝S上,再经反射镜P 折向凹面反射镜M下方的准光镜O1上,经O1反射以平行光束照射到光栅G上,经光栅色散后,按波长顺序分开。不同波长的光由凹面反射镜上方的物镜O2聚焦于感光板F上,得到按波长顺序展开的光谱。转动光栅台D,可同时改变光栅的入射角和衍射角,便可获得所需的波长范围和改变光谱级数。

图6.16 WSP-1 型平面光栅摄谱仪光路示意图
B 光源 L 照明系统 S 狭缝 P 反射镜 M 凹面反射镜
O1 准光镜 O2 投影物镜 G 光栅 D 光栅台 F 相板
光栅摄谱仪所用光栅多为平面反射光栅,并且是闪耀光栅。由闪耀光栅制作上看,闪耀角一定,闪耀波长(在闪耀波长处光的强度最大)是确定的,即每块光栅都有自己的闪耀波长。
2.光电直读光谱仪
光电直读光谱仪是利用光电测量方法直接测定光谱线强度的光谱仪。目前由于ICP光源的广泛使用,光电直读光谱仪被大规模地应用。电直读光谱仪有两种基本类型:一种是多道固定狭缝式,另一种是单道扫描式。
在摄谱仪色散系统中,只有入射狭缝而无出射狭缝。在光电直读光谱仪中,一个出射狭缝和一个光电倍增管构成一个通道(光的通道),可接收一条谱线。多道仪器是安装多个(可达70个)固定的出射狭缝和光电倍增管,可同时接受多种元素的谱线。单道扫描式只有一个通道,这个通道可以移动,相当于出射狭缝在光谱仪的焦面上扫描移动,多由转动光栅和光电倍增管来实现,在不同的时间检测不同波长的谱线。
(1)多道光电直读光谱仪 图6.17为多道光电直读光谱仪示意图。从光源发出的光经透镜聚焦后,在入射狭缝上成像并进入狭缝。进入狭缝的光投射到凹面光栅上,凹面光栅将光色散、聚焦在焦面上,在焦面上安装了一个个出射狭缝,每一狭缝可使一条固定波长的光通过,然后投射到狭缝后的光电倍增管上进行检侧。最后经过计算机处理后显示器显示与打印出数据。全部过程除进样外都是计算机程序控制,自动进行。一个样品分析仅用几分钟就可得到待测的几种甚至几十种元素的含量值。

图6.17 多道直读光谱仪示意图
①色散系统 色散元件用凹面光栅并有一个入射狭缝与多个出射狭缝组成。将光栅刻痕刻在凹面反射镜上就叫作凹面光栅。
②罗兰(Rowland)圆 Rowland发现在曲率半径为R的凹面反射光栅上存在一个直径为R的圈,见图6. 18,光栅G的中心点与圆相切,入射狭缝S在圆上,则不同波长的光都成像在这个圈上,即光谱在这个圆上,这个圆叫作罗兰圆。这样,凹面光栅既起色散作用,又起聚焦作用:聚焦作用是由于凹面反射镜的作用,能将色散后的光聚集。

图6.18罗兰圆
G 光栅 S 入射狭缝 P 出射狭缝
一般来说,光电直读光谱仪多采用凹面光栅,因为多道光电直读光谱仪要求有一个较长的焦面,能包括较宽的波段,以便安装里多的通道,只有凹面光栅能满足这些要求。将出射狭缝P都装在罗兰圆上,在出射狭缝后安装光电倍增管进行检测。
③检测系统 由光电倍增管、数据处理与信号输出系统组成。
多道光电直读光谱仪的优点是:分析速度快;准确度高,相对误差约为1%;适用于较宽的波长范围;光电倍增管信号放大能力强,线性动态范围宽,可做高含量分析。缺点是出射狭缝固定,能分析的元素也固定。
(2)单道扫描光电直读光谱仪
图6.19为单道扫描式光谱仪的光路图,光源发出的光经入射狭缝后,到一个可转动的平面光栅上,经光栅色散后,将某一特定波长的光反射到出射狭缝上,然后投射到光电倍增管上,经过检测就得到一个元素的测定结果。随着光栅依次不断地转动,就可得到各种元素的测定结果。也可采用转动光电倍增管,但比较少用。

图6.19单道扫描光谱仪简化光路图
和多道光谱仪相比,单道扫描式光谱仪波长选择简单易行,范围宽,可测定元素的范围也很广。但是,一次扫描需要一定的时间,分析速度受到限制。
目前,光电直读光谱仪因其优越的性能在定量分析上起了重要的作用,一般与火花、ICP等现代光源相结合。
3.全谱直读光谱仪
全谱直读光谱仪是性能优越,比较新型的一种光谱仪。
(1)
色散系统 色散系统由中阶梯光栅和与其成垂直方向的棱镜所组成。
①中阶梯光栅 普通的闪耀光栅闪耀角β比较小,在紫外及可见区只能使用一级至三级的低级光谱。中阶梯光栅采用大的闪耀角,刻线密度不大,可以使用很高的谱级,因而得到大色散率、高分辨率和高的集光本领。
②棱镜 由于使用高谱级,出现谱级间重叠严重,自由光谱区较窄等问题,因此采用交叉色散法,见图6. 20 (a)。在中阶梯光栅的前边(或后边)加一个垂直方向的棱镜,进行谱级色散,得到的是互相垂直的两个方向上排布的二维光谱图〔见图6.20(b)〕,可以在较小的面积上汇集大量的光谱信息,从紫外到可见区的整个光谱。可利用的光谱区广,光谱检出限低,并可多元素同时测定。

图6.20中阶梯光栅单色器光色散示意图
(2)检测系统 采用电荷转移器件(CTD),它又分为电荷耦合器件(CCD)和电荷注入器件(CID)两类。CCD在原子发射光谱的应用比校广泛。它们是在大规模硅集成电路工艺基础上研制而成的模拟集成电路芯片,是把光信号以电荷的形式存储和转移,而不是以电流和电压形式。光辐射照到光敏元件表面产生光生电荷,随着电荷从收集区到测量区转移的同时,完成对累积电荷的测量。光敏检测元件是二维排列的,可同时从中阶梯光栅光谱仪上记录二维全谱。
它可以快速显示多道测量结果或称光电读出.同时又具有像光谱感光板一样同时记录多道光信号的能力,可在末端显示器上同步显示出人眼可见的图谱,见图6.21。

图6.21全谱直读等离子体发射光谱仪示意图
CCD固体检测器在发射光谱的应用上主要的优点是:同时多谱线的检测能力;分析速度快,可在1 min内进行几十种元素的测定;灵敏度高;线性动态范围宽可达5~7个数量级。
全谱直读光谱仪可快速进行光谱定性定量分析,并可对原子发射光谱进行深入的研究。
图6.21是全谱直读等离子体光谱仪。光源发出的光经两个曲面反射镜聚焦于入射狭缝,再经过准直镜成平行光,投射到中阶梯光栅,使光在x方向色散,再经过另一个光栅(Schmidt)在y方向上二次色散,并经反射镜到达CCD检测器并可见到光谱的图像。由于该CCD是一个紫外型检测器,对可见光区的光谱不灵敏,因此,在Schmidt光栅中央开了一个孔,部分光经此孔后再经棱镜进行y方向二次色散,然后经透镜进人另一个检测器,对可见光区进行同样的检测。
6.4背景的扣除和基体效应的影响
光谱背景是指在线状光谱上,叠加着由于连续光谱、分子光谱或其他原因所造成的谱线强度(摄谱法为黑度)的改变。光谱背景若不扣除,必然会使分析结果不准确。在实验过程中应尽量设法降低光谱背景。
1.背景的来源
(1)连续辐射 在经典光源中,是来自炽热的电极头或蒸发过程中被带到弧焰中去的固体质点等炽热的固体发射的连续光谱;
(2)分子辐射 在光源作用下试样与空气作用生成的分子氧化物、氮化物等分子发射的带状光谱,如CN、SiO、AlO等,这些化合物解离能都很高。
(3)谱线的扩散 分析线附近有其他元素的强扩散线(即谱线宽度较大),如Zn、Sb、Pb、Bi、Mg、Al等含量高时会有很强的扩散线。
(4)在ICP光源中,电子与离子复合过程也产生连续背景。轫致辐射是由电子通过荷电位子(主要是重粒子)库仑场时受到加速或减速引起的连续辐射。这两种连续背景都随电子密度的增大而增加,是造成ICP光源连续背景辐射的重要原因,火花光源中这种背景也较吸强。
2.背景的扣除
为了消除背景的影响,直流电弧摄谱法定性分析选择谱线时,应通开背景影响较大的谱线。在ICP光电直读光谱仪中都带有自动校正背景的装置。
3.基体效应的影响
试样基体的化学组成和物理性质的变化,常常会强烈影响待测元素的谱线强度和背景,给定量分析带来干扰。试样中所有共存元素对待测元素的干扰效应的总和,称为基体效应。基体效应对定量分析带来的影响主要在非光谱干扰和光谱干扰两方面。非光谱干扰主要是共存(基体)元素对激发过程中一系列与温度有关的平衡的影响,它会使平衡移动或温度发生变化,使蒸气云中原子或离子的浓度发生变化,导致谱线强度发生变化,产生干扰。而光谱干扰主要是由于共存元素在待测原子的原子发射光谱上形成光谱的背景所产生的干扰。为了减少基体效应对定量分析所带来的干扰,通常可采用加入光谱添加剂(如光谱缓冲剂、挥发剂和稀释剂等)的方式,提高原子发射光谱的分析准确度。
6.5分析方法
由于各种元素的原子结构不同,在光源的激发作用下,试样中每种元素都发射自己的特征光谱。光谱定性分析一般多采用直流电弧摄谱法。试样中所含元素只要达到一定的含量,都可以有谱线摄谱在感光板上。摄谱法操作简便,价格便宜,快速,在几小时内可将含有的数十种元素定性检出。感光板的谱图可长期保存。它是目前进行元素定性检出的最好方法。
1.元素的分析线与最后线
每种元素发射的特征谱线有多有少,多的可达几千条。当进行定性分析时,不需要将所有的谱线全部检出,只需检出几条合适的谱线就可以了。
进行分析时所使用的谱线称为分析线。如果只见到某元素的一条谱线,不能断定该元素确实存在于试样中,因为有可能是其他元素谱线的干扰。检出某元素是否存在,必须有两条以上不受干扰的最后线与灵敏线。灵敏线是元素激发能低、强度较大的谱线,多是共振线。最后线是指当样品中某元素的含量逐渐减少时,最后仍能观察到的几条谱线.它也是该元素的最灵敏线。
特征谱线组,常常是元素的多重线组,如图6.1中钠的双重线:589.6 nm和589.0
nm;还有的为三重线及多重线,如硅的6条线:250.69nm、251.43nm、251.61nm、251.92nm、252.41nm、252.85
nm,它们的强度相近,具有特征性,很好辨认。
2.分析方法
(1)铁光谱比较法 是目前最通用的方法,它采用铁的光谱作为波长的标尺,来判断其他元素的谱线。铁光谱作标尺有如下特点:
①谱线多,在210~600 nm范围内有几千条谱线;
②谱线间相距都很近,在上述波长范围内均匀分布,对每一条铁谱线波长,人们都已进行了精确的测量。
每一种型号的光谱仪都有自己的标准光谱图,见图6.22。谱图最下边为铁光谱,紧挨着铁谱上方准确地绘出68种元素的逐条谱线并放大20倍。

图6.22 用于定性分析的标准光谱图
进行分析工作时,将试样与纯铁在完全相同条件下并列并且紧挨着摄谱,摄得的谱片置于映谱仪(放大仪)上;谱片也放大20倍,再与标准光谱图进行比较。比较时,首先需将谱片上的铁谱与标准光谱图上的铁谱对准,然后检查试样中的元素谱线。若试样中的元素谱线与标准图谱中标明的某一元素谱线出现的波长位置相同,即为该元素的谱线。判断某一元素是否存在,必须由其灵敏线来决定。铁光谱比较法可同时进行多元素定性鉴定。
(2)标准试样光谱比较法 将要检出元素的纯物质或纯化合物与试样并列摄谱于同一感光板上,在映谱仪上检查试样光谱与纯物质光谱。若两者谱线出现在同一波长位置上,即可说明某一元素的某条谱线存在。此法多用于不经常遇到的元素或谱图上没有的元素分析。
光谱半定量分析可以给出试样中某元素的大致含量。若分析任务对准确度要求不高,多采用光谱半定量分析。例对钢材与合金的分类、矿产品位的大致估计等等,特别是分析大批量样品时,采用光谱半定量分析,尤为简单、快捷。
光谱半定量分析常采用摄谱法中比较黑度法,这个方法需配制一个基体与试样组成近似的被测元素的标准系列。在相同条件下,在同一块感光板上标准系列与试样并列摄谱;然后在映谱仪上用目视法直接比较试样与标准系列中被测元素分析线的黑度。黑度若相同,则可作出试样中被测元素的含量与标准样品中某一个被测元素含量近似相等的判断。
1.光谱定量分析关系式
光谱定量分析的关系式见式(6.5)和式(6.6):
I = ac 和 I =
acb
当元素浓度很低时无自吸,b=1。
ICP光源本身自吸效应就很小。
2.内标法
在20世纪,使用经典光源进行定量分析时,使用式(6.6)测定谱线绝对强度进行定量分析是困难的。因为试样的组成与实验条件都会影响谱线强度。1925年盖拉赫(Gerlach)提出内标法,才使得原子发射光谱分析的定量分析得以实现。今天ICP光源直读光谱仪仪器性能好,并且稳定、准确度高,一般不使用内标法,但当试样黏度大时,也会使得光源不稳定,此时应使用内标法。
(1)基本关系式 内标法是相对强度法,首先要选择分析线对:选择一条被测元素的谱线为分析线,再选择其他元素的一条谱线为内标线,所选内标线的元素为内标元素。内标元素可以是试样的基体元素,也可是加入一定量试样中不存在的元素。分析线与内标线组成分析线对。
分析线强度I,内标线强度I0,被测元素浓度与内标元素浓度分别为c与c0,b与b0分别为分析线与内标线的自吸系数。根据式(6.6),分别有
I =
ac b (6.10)
(6.11)
分析线与内标线强度比为R,称为相对强度
(6.12)
式中:内标元素浓度c0为常数;实验条件一定,
为常数,则
(6.13)
式(6.13)是内标法光谱定量分析的基本关系式。由式(6.13)也可看出相对强度法对试样组成或实验条件的变化都可相消了。分析方法是以相对强度R对浓度作图,即为校准曲线。在ICP光源中b趋于1,则R = Ac。
(2)内标元素与分析线对的选择 内标元素与被测元素在光源作用下应有相近的蒸发性质、相近的激发能与电离能;内标元素若是外加的,必须是试样不含有或含量极少,可以忽略的;分析线对两条线要都是原子线或都是离子线,避免一条是原子线,一条是离子线。
(3)摄谱法定量分析内标法的基本关系 摄谱法要将标准样品与试样在同一块感光摄谱,求出一系列黑度值,由乳剂特性曲线求出lgI现将lgR对lgc做校准曲线进而求出未知元素含量。
若分析线与内标线的黑度都落在感光板正常曝光部分,这时可直接用分析线对黑度∆S与lgc建立校准曲线。选用的分析线对波长比较靠近,此分析线对所在的感光板部位乳剂特性基本相同。分析线黑度S1、内标线黑度S2、按(6.9)式可得
![]()
![]()
因分析线对所在部位乳剂特性基本相同,故
![]()
![]()
又曝光量与谱线强度成正比,因此
![]()
![]()
黑度差
(6.14)
将6.13代入6.14得
(6.15)
由(6.15)式可看出,分析线对黑度值都落在乳剂特性曲线直线部分,分析线与内标线黑度差∆S与被测元素浓度的对数呈线性关系。(6.15)式可以作为摄谱法定量分析的依据。
3.定量分析方法
由于ICP光源的广泛应用,光电直读光谱仪也成了主要的定量分析检测手段,摄谱法已基本上不用于定量分析中。因此,这里介绍的定量分析法只以光电直读为例。
(1)校准曲线法 这是最常用的方法。在确定的分析条件下,用3个或3个以上含有不同浓度的被测元素的标准系列与试样溶液在相同条件下激发光谱,以分析线强度I对标准样浓度作图,得到一条校准曲线。将试样分析线的强度在校准曲线上查出相应的浓度。
(2)标准加人法 当测定低含量元素时,基体干扰较大,找不到合适的基体来配制标准试样时,采用标准加入法比较好。方法是取几份相同量试样,其中一份作为被测定的试样,其他几份分别加人不同浓度c1,c2,c3,…,ci的被测元素的标准溶液。在同一实验条件下激发光谱,然后以分析线强度对标准加人量浓度作图(见图6.23)。被测定的试样中没有加人标准溶液,所以它对应的强度为Ix,试样中被测元素浓度为cx,将直线Ix点外推,与横坐标相交截距的绝对值即为试样中待测元素浓度cx。
(6.16)
(6.17)

图6.23标准加入法曲线
定量分析法使用直读光谱仪,可将各元素校准曲线事先输入到计算机,测定时可直接得到元素的含量。多道光电直读光谱仪带有内标通道。
6.6 原子发射光谱法的应用
原子发射光谱法具有不经过分离就可以同时进行多种元素快速定性定量分析的特点,特别是由于ICP光源的引入,因其具有的检出限低、基体效应小、精密度高、灵敏度高、线性范围宽以及多元素同时分析等诸多优点,使原子发射光谱分析法在科学领域及电子、机械、食品工业、钢铁冶金、矿产资源开发、环境监测、生化临床分析、材料分析等方面得到了广泛的应用。例如:岩矿及土壤中元素分析、植物与食品分析、钢铁冶炼过程中的检测、生态和环境保护分析、生化临床分析、材料分析等各个方面。
6.5.2.应用实例
1. 原子发射光谱法直接测定焦炭中的15种微量杂质元素
焦炭在高炉冶炼过程中具有重要作用,其主要成分包括固定碳和灰分等。灰分是焦炭燃烧后剩余的残余物,是焦炭中的有害物质,主要由二氧化硅和三氧化二铝,还有氧化钙、氧化镁等氧化物组成。灰分含量越高,固定碳减少,会增加高炉冶炼过程消耗的石灰石和热量,导致高炉利用系数降低;而焦炭灰分越低,对高炉操作越有利。因而有必要对焦炭中的杂质含量进行测定。由于焦炭难溶于水、酸、碱,给分析工作带来了一定的困难。通常要在
2. ICP-AES法测定铝合金中7种元素含量
铝合金材料在各行业的应用十分广泛, 其中合金元素和杂质元素的含量影响着合金的理化性能。元素检测大多采用经典的化学分析方法,其中有分光光度法,容量法,原子吸收法和发射光谱法等,特点是对各元素需逐个分析,检测过程繁琐,周期长,试剂消耗大,难以满足客户的时效性要求。若采用ICP-AES法测定铝合金中Cu、Fe、Mg、Mn、Si、Ti、Zn等 7 种元素时,可直接将铝合金处理成溶液后,直接进校测定含量,可同时测出这7种元素的含量。
思考题与练习
6.1原子发射光谱是怎么产生的?
6.2原子发射光谱法的特点是什么?
6.3内量子数J的来源是什么?
6.4请简述几种常用光源的工作原理,比较它们的特性以及适用范围,并阐述具备这些特性的原因。
6.5简述ICP光源的优缺点。
6.6请比较棱镜摄谱仪、光栅摄谱仪、光电直读光谱仪的色散系统与检测系统的元件组成、工作原理及特点。
6.7请画一条乳剂特性曲线,标出曲线的不同部分及惰延量、反衬度、雾翳黑度,并说明乳剂特性曲线的作用。
6.8解释下列名词:
(1)分析线、共振线、灵敏线、最后线、原子线、离子线。
(2)定量分析内标法中的内标线、分析线对。
6.9光谱定量分析为什么用内标法:简述其原理,并说明如何选择内标元素与内标线,再写出内标法基本关系式。.
6.10在下列情况下,应选择什么激发光源?
(1)对某经济作物植物体进行元素的定性全分析;
(2)炼钢厂炉前12种元素定量分析;
(3)铁矿石定量全分析;
(4)头发各元素定量分析;
(5)水源调查6和元素定量分析。
6.11 分析硅青铜中的铅,以基本铜为内标元素,实验测得数据列于下表中。求硅青铜中铅的质量分数(请作图)。
|
样品编号 |
ω(Pb)% |
黑度S |
|
|
Pb 287.33 nm |
Cu 276.88 nm |
||
|
标样1 |
0.08 |
285 |
293 |
|
2 |
0.13 |
323 |
310 |
|
3 |
0.20 |
418 |
389 |
|
4 |
0.30 |
429 |
384 |
|
未知样 |
x |
392 |
372 |
6.12用标准加入法测定SiO2中Fe的质量分数,Fe 302.06 nm为分析线,Si 302.00 nm为内标线。已知分析线对已在乳剂特性曲线直线部分,测得数据列于下表中。试求Fe的质量分数。
|
Fe加入量(%) |
0 |
0.001 |
0.002 |
0.003 |
|
∆S(谱线黑度差) |
0.24 |
0.42 |
0.51 |
0.63 |